长辈版
无障碍
专题
领域
专题首页
专题首页
政策解读
回应关切
在线办事
依申请公开
全市标准化
规范化专题
裕安区
金安区
重大建设项目
救灾
食品药品监管
公共资源交易
城市综合执法
就业创业
财政预决算
安全生产
税收管理
国有土地上房屋征收与补偿
社会救助
保障性住房
农村危房改造
养老服务
生态环境
义务教育领域
户籍管理
涉农补贴
市政服务
公共文化服务
公共法律服务
医疗卫生
社会保险
粮食安全
残疾人服务
旅游
学前教育
自然资源
交通运输
新闻出版版权
广播电视
统计
水利
乡村振兴领域
叶集区
舒城县
金寨县
霍山县
霍邱县
首页
>
金安区
>
养老服务
>
服务资源信息
>
服务内容和服务方式
索
引
号:
/202402-00031
信息分类:
民政、扶贫、救灾、优抚,其他
内容分类:
服务内容和服务方式
发文日期:
2026-01-05 16:15:02
发布机构:
金安区
生成日期:
2026-01-05 16:15:02
来源单位:
金安区民政局
生效时间:
废止时间:
名 称:
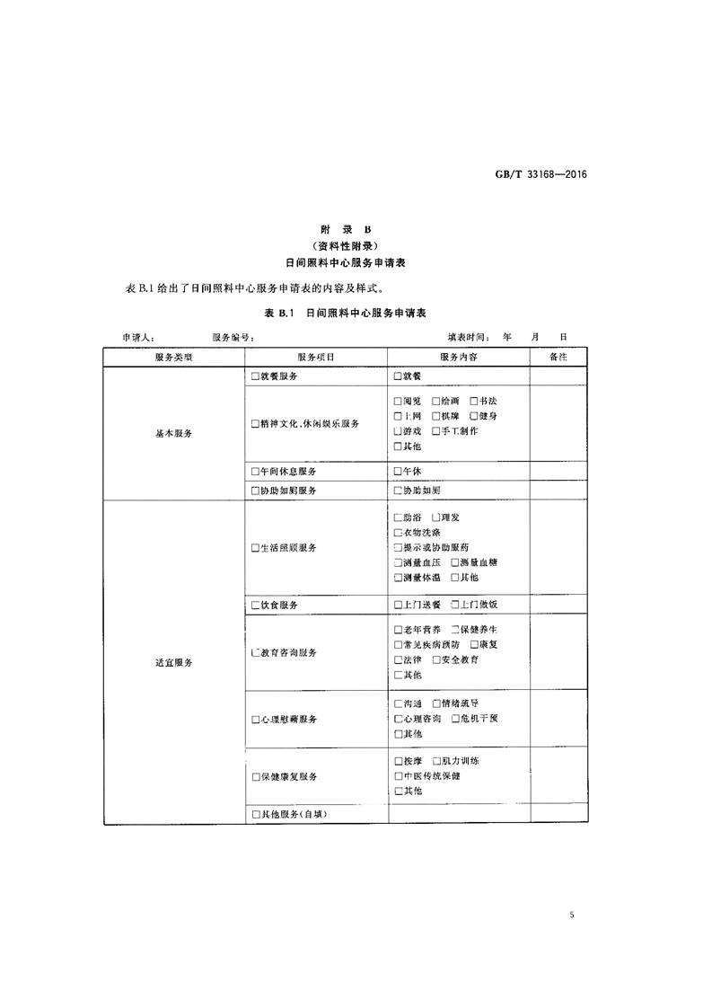
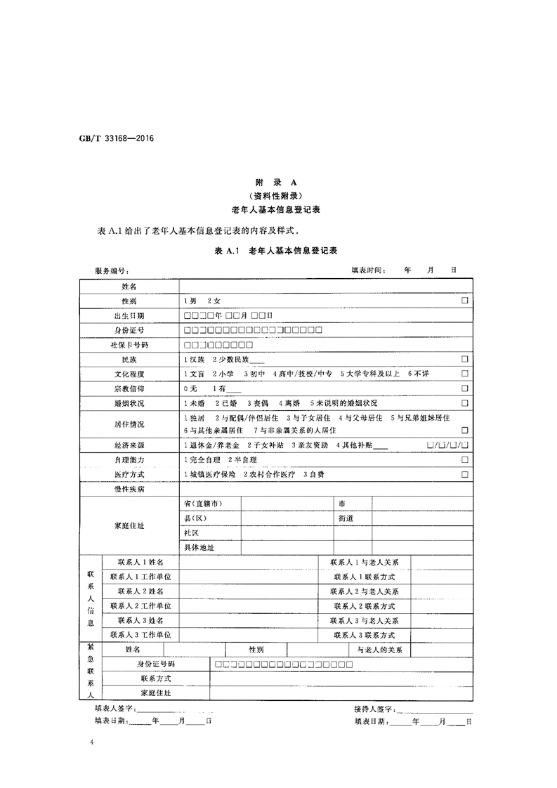
社区老年人日间照料中心服务基本要求
文 号:
关
键
词:
索
引
号:
/202402-00031
信息分类:
民政、扶贫、救灾、优抚,其他
内容分类:
服务内容和服务方式
发文日期:
2026-01-05 16:15:02
发布机构:
金安区
生成日期:
2026-01-05 16:15:02
来源单位:
金安区民政局
生效时间:
废止时间:
名 称:
社区老年人日间照料中心服务基本要求
文 号:
关
键
词:
社区老年人日间照料中心服务基本要求
2026-01-05 16:15
来源:金安区民政局
文字大小:[
大
中
小
]
背景色:
政策咨询
如果您对该政策文件有疑问,可以拨打标题上方的电话咨询相关部门。
分享到:
打印本页
关闭窗口