长辈版
无障碍
搜索输入框
智能问答
首页
领导之窗
办事服务
资讯中心
政务公开
解读回应
互动交流
政府数据
走进金安
首页
领导
办事服务
资讯
公开
解读
互动
数据
走进
当前位置:
首页
>
政务公开
> 金安区先生店镇
>
财政专项资金
>
财政专项资金管理和使用情况
>
农机购置补贴管理和报废更新
>
政策与标准
索
引
号:
/202410-00026
信息分类:
政策与标准
内容分类:
农业、林业、水利
发文日期:
2026-01-07
发布机构:
金安区先生店镇
生成日期:
2026-01-07
来源单位:
金安区先生店镇
生效时间:
废止时间:
名
称:
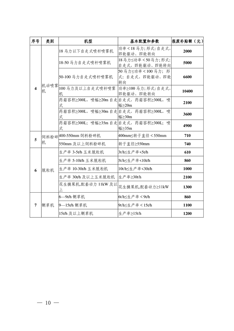
【补贴标准】金安区农机报废更新补贴标准
文
号:
关
键
词:
【补贴标准】金安区农机报废更新补贴标准
发布时间:2026-01-07 09:24
信息来源:金安区先生店镇
阅读次数:
次
我要纠错
打印
【字体:
大
中
小
】
文件下载
政策咨询
如果您对该政策文件有疑问,可以拨打标题上方的电话咨询相关部门。
标签: